бидэнд лавлагаа илгээнэ үү
Загварын онцлогууд:
Чөлөөт хөвөгч уурын баригч нь хамгийн дэвшилтэт уурын баригчуудын нэг юм. Хавхыг битүүмжлэх ажиллагааг хангаж чадах өндөр хөвөгч тул бүхэл бүтэн бөмбөрцөг нь гадаргууг битүүмжлэх, удаан эдэлгээтэй байдаг.
Чөлөөт хөвөгч уурын баригчийн өвөрмөц давуу талууд: суурилуулсан ус зайлуулах хавхлагыг ашиглах нь маш мэдрэмтгий, өндөр чанартай ажил нь чөлөөт хөвөгч уурын баригчийг насан туршдаа сунгах боломжтой. Хамгийн том давуу тал нь даралт, температур, конденсацийн усны урсгалын хэлбэлзэл, тасралтгүй ус зайлуулах, ус онцгой, халаалтын төхөөрөмжийн хамгийн бага дутуу хөргөлт нь хамгийн сайн үр дүнд хүрч чадна; Энэ нь ажлын хамгийн бага даралт 0.01Mpa, хамгийн их буцах даралтын хурд 85%.
Хэрэглээний талбар:
Хэмжээний хүрээ: 1/2"-6"/DN15-DN150
Температур: ≤425℃
Ашиглалтын зөвшөөрөгдөх даралт: PN16/PN25/PN40
Хавхыг хэрэглэх хүрээ: Зорилго: уурын хоолой, уурын тоног төхөөрөмж, дулааны шугам хоолой, дулааны шугам хоолой, конденсат дамжуулах хоолой.

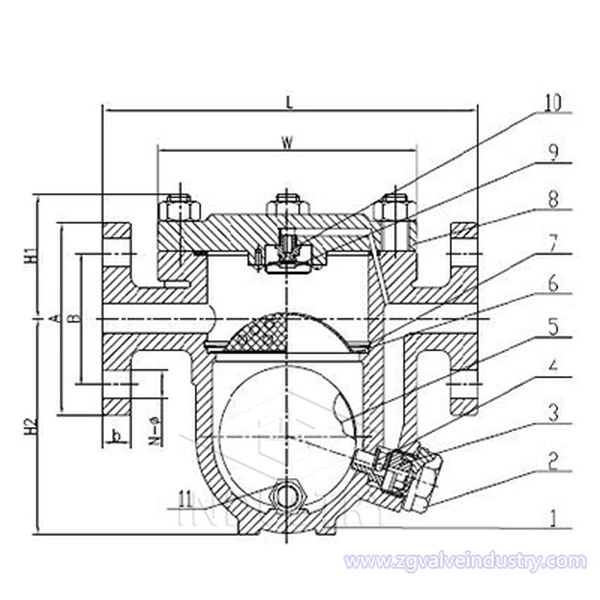
МАТЕРИАЛЫН ЖАГСААЛТ
| Хэсгийн нэр | Тодорхойлолт |
| Бие | ASTM A216 WCB |
| Шургийн залгуур | ҮГҮЙ. 45 ган |
| Биеийн зогсоолын залгуур | SS 304 |
| Суудал | SS 304 |
| Бөмбөг хөвөх | SS 304 |
| Дэлгэц | SS 304 |
| Хадгалах бөгж | A3 |
| Капот | A105 |
| Агааржуулалт | Биметал |