бидэнд лавлагаа илгээнэ үү
Загварын онцлогууд:
Бөмбөрцөг хавхлагын ишний тэнхлэг нь хавхлагын суудлын битүүмжлэх гадаргуутай перпендикуляр байна. Хавхлагын ишний нээлт, хаалтын цохилт нь харьцангуй богино бөгөөд энэ нь маш найдвартай таслах үйлдэлтэй тул энэ хавхлагыг таслах буюу орчинг тохируулах, тохируулахад маш тохиромжтой болгодог.
Унтраах хавхлагын хавхлагын диск нь нээлттэй байдалд орсны дараа түүний хавхлагын суудал болон хавхлагын дискний битүүмжлэлийн гадаргуу хооронд холбоо барихаа больсон бөгөөд маш найдвартай таслах үйлдэлтэй. Энэ төрлийн хавхлага нь орчинг огтлох, тохируулах, багасгахад маш тохиромжтой. Дамжуулалтын хэрэглээ. Энэ төрлийн хавхлагыг ерөнхийдөө дамжуулах хоолойд хэвтээ байдлаар суурилуулсан байх ёстой.
Унтраах хавхлагыг нээлттэй байдалд оруулсны дараа түүний суудал ба дискний битүүмжлэх гадаргуу хооронд ямар ч холбоо байхгүй тул битүүмжлэх гадаргуу нь механикаар бага элэгддэг, учир нь ихэнх хавхлагын суудал, дискийг засах эсвэл солиход хялбар байдаг. Бүрэлдэхүүн хэсгүүдийг битүүмжлэхдээ хавхлагыг бүхэлд нь дамжуулах хоолойноос зайлуулах шаардлагагүй бөгөөд энэ нь хавхлага ба дамжуулах хоолойг гагнаж байгаа тохиолдолд маш тохиромжтой. Энэ төрлийн хавхлагаар дамжин өнгөрөх орчны урсгалын чиглэл өөрчлөгдсөн тул зогсоох хавхлагын урсгалын эсэргүүцэл нь бусад хавхлагуудаас өндөр байна.
1. Бүтэц нь хаалганы хавхлагаас илүү энгийн бөгөөд үйлдвэрлэл, засвар үйлчилгээ нь илүү тохиромжтой.
2. Битүүмжлэх гадаргуу нь өмсөж, зурж болохгүй, битүүмжлэх чадвар сайн. Хавхлагын хаалт ба хавхлагын их биений битүүмжлэлийн гадаргуу хооронд онгойлгох, хаах үед харьцангуй гулсах зүйл байхгүй тул элэгдэл, зураас нь ноцтой биш, битүүмжлэлийн гүйцэтгэл сайн, ашиглалтын хугацаа урт байдаг.
3. Нээх, хаах үед дискний цохилт бага байдаг тул зогсоох хавхлагын өндөр нь хаалганы хавхлагаас бага боловч бүтцийн урт нь хаалганы хавхлагаас урт байдаг.
Хэрэглээний талбар:
Хэмжээний хүрээ: DN15-аас DN600 хүртэл
Температур: (-)29℃-аас 425℃ хүртэл
Ашиглалтын зөвшөөрөгдөх даралт: CL150/CL300/CL600
Төрөл бүрийн материалаас бүрдсэн бөмбөрцөг хавхлагыг ус, уур, тос, азотын хүчил, цууны хүчил, исэлдүүлэгч орчин, мочевин болон бусад орчинд ашиглаж болно.
Гүйцэтгэлийн үзүүлэлтүүд:
| Нэрлэсэн даралт | 150 LB | 300 LB | 600 лБ |
| Бүрхүүлийн туршилт | 3.0 МПа | 7.5 МПа | 15.0 МПа |
| Битүүмжлэх туршилт | 2.2 МПа | 5.5 МПа | 11.0 МПа |
| Арын битүүмжлэлийн туршилт | 2.2 МПа | 5.5 МПа | 11.0 МПа |
| АГААР НЭВТЭРГҮЙ | 0.6 Мпа | 0.6 Мпа | 0.6 Мпа |
| Ажлын температур | -29℃ ~ 425℃ | ||
| Дунд | WOG | ||
Техникийн үзүүлэлтүүд:
1.Дизайн стандарт: API6D/API600
2.Нүүр тулсан: ANSI B16.10/API 6D
3.RF фланцын төгсгөл:ANSI B16.5
4. Тулгасан гагнуурын төгсгөл: ASME B16.25
5.Шалгах, шалгах: API 6D болон API 598

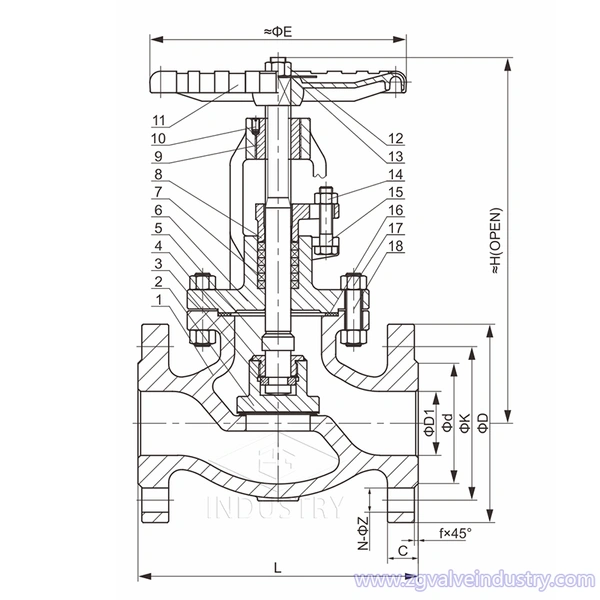
МАТЕРИАЛЫН ЖАГСААЛТ
| Барааны дугаар. | Хэсгийн нэр | Тодорхойлолт |
| 1 | Бие | WCB, CF8, CF8M |
| 2 | Суудал | A105, F304, F316 |
| 3 | Диск | WCB+F6, CF8, CF8M |
| 4 | Дискний таг | A182 F6, 304, 316 |
| 5 | Жийргэвч | Уян графит + SS 304 |
| 6 | Капот | WCB, CF8, CF8M |
| 7 | Арын суудал | A276-410, F304, F316 |
| 8 | Савлах | 304+Уян графит |
| 9 | Булчирхай | A276-410, F304, F316 |
| 10 | Савлах булчирхай | WCB, CF8, CF8M |
| 11 | Иш самар | A194-2H, A194-8 |
| 12 | Шураг | 304 |
| 13 | Гар дугуй | QT400-15 |
| 14 | Жийргэвч | 304+Графит |
| 15 | Түгжих самар | A194-2H, 8 |
| 16 | Булчирхай самар | A194-2H, 8 |
| 17 | Нүдний боолт | A193-B8, B7 |
| 18 | Асгарсан зүү | F304 |