бидэнд лавлагаа илгээнэ үү
Загварын онцлогууд:
1、 Уян төмөр их бие, капот нь өндөр бат бэх, цохилтод тэсвэртэй. Хавхлагын их бие ба капот Fusion наалттай эпокси бүрээс нь зэврэлтээс удаан хугацаанд хамгаална. Хог хаягдлаас зайлсхийхийн тулд бүрэн цооногоор чиглүүлээрэй, урсгалын эсэргүүцэл багатай.
2、 Ундны ус хэрэглэхэд тохиромжтой EPDM эсвэл NBR вулканжуулсан резинээр бүрэн резинээр бүрсэн уян хатан төмөр шаантаг.
3、 Капот боолтыг удаан эдэлгээтэй, хамгаалах зориулалттай резинэн жийргэвч, зэврэлтээс хамгаалах зориулалттай тусгаарлагдсан бэхэлгээ.
4、 Өндөр бат бэх, зэврэлтэнд тэсвэртэй гулсмал утас бүхий зэвэрдэггүй ган иш**.
5、 Арын битүүмжлэх байгууламж нь үйл ажиллагааны бүрэн даралтын дор лацыг солих боломжийг олгодог.
6、 Үрэлтийг багасгахын тулд дарагч угаагчийг доошлуулаарай.
7、 Уян төмрийн булчирхай Зузаан хана цутгамал, сольж болдог О цагираг.
8、 Үүдний битүүмжлэлийн системд бохирдол орохоос сэргийлж тоосны хамгаалалт.
9、 Зэрэгцүүлэх зориулалттай гуулин бут, эргэлт багатай.
10、 Ишний самар доошоо угсарна.
11、Хавхлага нь гар дугуй эсвэл дөрвөлжин тагтай нүцгэн голтой; Ашиглалтын момент бага, нээх, хаахад хялбар.
Хэрэглээний талбар:
Хэмжээний хүрээ: DN40 ба DN600
Хамгийн их температур: 80˚C
Ашиглалтын зөвшөөрөгдөх даралт: PN10, PN16, PN25
Усжуулалт, нийтийн аж ахуйн үйлчилгээ, HVAC болон усны системд ашиглах зориулалттай хаалга хавхлага
Онцлогууд:
Боолттой капот
Солих боломжтой O-цагираг
Резинэн бүрхүүлтэй шаантаг, Гуулин шаантаг самар.
Цэнхэр RAL 5017 200 микрон зузаантай, дотор болон гадна талд нь хайлуулж наасан эпокси
Ажлын даралт -1-ээс +16 бар, ажлын температур -10-аас +80 ºC хүртэл
Техникийн үзүүлэлтүүд:
EN 1171, BS5163, EN 1074-1 ба 2 стандартын дагуу хавхлагын загвар
BS5163、EN 551-1 Цуврал 13-ын дагуу нүүр тулсан хэмжээсүүд
EN 12266、ISO5208 стандартын дагуу гидравлик туршилт
EN 1092-2, ISO 7005-2 стандартын стандарт фланцын өрөмдлөг

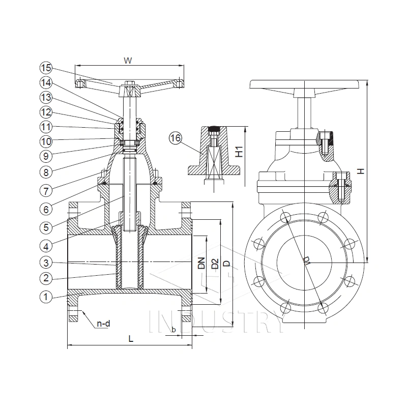
МАТЕРИАЛЫН ЖАГСААЛТ
| Барааны дугаар. | Хэсгийн нэр | Тодорхойлолт |
| 1 | Бие | Уян хатан төмөр EN- GJS- 500- 7 |
| 2 | Шаантаг | Уян хатан төмөр EN- GJS- 500- 7 |
| 3 | Шаантаг бүрэх | NBR /EPDM EN 681-1 |
| 4 | Шаантаг самар | Зэсийн хайлш |
| 5 | Иш | Зэвэрдэггүй ган X20 Cr13 |
| 6 | Капот жийргэвч | NBR /EPDM EN 681-1 |
| 7 | Капот | Уян хатан төмөр EN- GJS- 500- 7 |
| 8 | O цагирагны арын битүүмжлэл | EPDM/NBR |
| 9 | Иш угаагч | PEFE |
| 10 | Ишний хүзүүвч | Зэвэрдэггүй ган / гууль |
| 11 | O-Ring | EPDM/NBR |
| 12 | O-Ring | EPDM/NBR |
| 13 | Булчирхайн фланц | Уян хатан төмөр EN- GJS- 500- 7 |
| 14 | Тоос хамгаалагч | EPDM/NBR |
| 15 | Гарын хүрд | Уян хатан төмөр EN- GJS- 500- 7 |
| 16 | Ишний таг | Уян хатан төмөр EN- GJS- 500- 7 |