бидэнд лавлагаа илгээнэ үү
Загварын онцлогууд:
1、Уялгар төмрийн их бие, капот нь өндөр бат бэх, цохилтод тэсвэртэй. Хавхлагын их бие ба B onnet Fusion-ээр наасан эпокси бүрээс нь удаан хугацааны зэврэлтээс хамгаална. Хог хаягдал, жижиг урсгалд тэсвэртэй байхын тулд бүрэн цооногоор шууд дамжуулна.
2、Ундны ус хэрэглэхэд тохиромжтой EPDM эсвэл NBR-ээр бүрэн резинээр бүрсэн, дотор болон гадна талын уян хатан төмөр шаантаг.
3、Капотын боолтыг удаан эдэлгээтэй, хамгаалах зориулалттай резинэн жийргэвч, зэврэлтээс хамгаалах зориулалттай тусгаарлагдсан бэхэлгээ.
4、Өндөр хүч чадал, зэврэлтэнд тэсвэртэй гулсмал утас бүхий зэвэрдэггүй ган иш **.
5、Арын битүүмжлэх байгууламж нь ажлын бүрэн даралтын дор лацыг солих боломжийг олгодог.
6、Солих боломжтой O цагираг.
7、Үүдний битүүмжлэлийн системд бохирдол орохоос сэргийлж тоосны хамгаалалт.
8、Хавхлага нь гар дугуй эсвэл дөрвөлжин тагтай нүцгэн босоо амтай; Ашиглалтын момент бага, нээх, хаахад хялбар.
Хэрэглээний талбар:
Хэмжээний хүрээ: DN40 ба DN800
Хамгийн их температур: 70˚C
Ашиглалтын зөвшөөрөгдөх даралт: PN10, PN16, PN25
Усжуулалт, нийтийн аж ахуйн үйлчилгээ, HVAC болон усны системд ашиглах зориулалттай хаалга хавхлага
Онцлогууд:
Боолттой капот
Солих боломжтой O-цагираг
Резинэн бүрхүүлтэй шаантаг, Гуулин шаантаг самар.
Цэнхэр RAL 5017 200 микрон зузаантай, дотор болон гадна талд нь хайлуулж наасан эпокси
Ажлын даралт -1-ээс +16 бар, ажлын температур -10-аас +80 ºC хүртэл
Техникийн үзүүлэлтүүд:
EN 1171, DIN3352, EN 1074-1 ба 2 стандартын дагуу хавхлагын загвар
EN 558-1 、 DIN3202 F4/F5 стандартын дагуу нүүр тулсан хэмжээсүүд
EN 1092-2, ISO 7005-2 стандартын стандарт фланцын өрөмдлөг
EN 12266、ISO5208 стандартын дагуу гидравлик туршилт

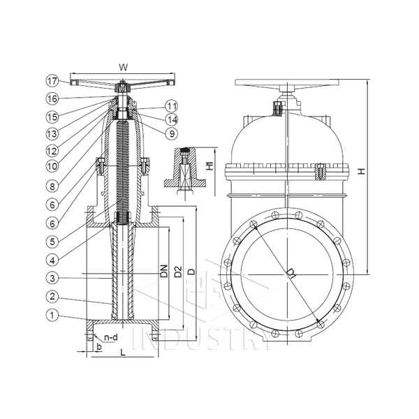
МАТЕРИАЛЫН ЖАГСААЛТ:
| Барааны дугаар. | Хэсгийн нэр | Тодорхойлолт | |
| 1 | Бие | Уян хатан төмөр GGG50 | |
| 2 | Шаантаг | Уян хатан төмөр GGG50 | |
| 3 | Шаантаг бүрэх | NBR /EPDM EN 681-1 | |
| 4 | Шаантаг самар | Зэсийн хайлш | |
| 5 | Иш | Зэвэрдэггүй ган X20 Cr13 | |
| 6 | Капот жийргэвч | NBR /EPDM EN 681-1 | |
| 7 | Капот | Уян хатан төмөр GGG50 | |
| 8 | O цагирагны арын битүүмжлэл | EPDM/NBR | |
| 9 | Доош Бушинг | Зэсийн хайлш | |
| 10 | O Ring | EPDM/NBR | |
| 11 | Ишний хүзүүвч | Зэвэрдэггүй ган / гууль | |
| 12 | O-Ring | EPDM/NBR | |
| 13 | O-Ring | EPDM/NBR | |
| 14 | Булчирхайн фланц | Уян хатан төмөр GGG50 | |
| 15 | Үйсэн бөглөх | Зэсийн хайлш | |
| 16 | Тоос хамгаалагч | EPDM/NBR | |
| 17 | Гарын хүрд | Уян хатан төмөр GGG50 | |
| 18 | Ишний таг | Уян хатан төмөр GGG50 | |