إرسال استفسار لنا
ميزات التصميم:
1 、 جسم من حديد الدكتايل وغطاء محرك للقوة العالية ومقاومة الصدمات. جسم الصمام وغطاء الإيبوكسي المرتبط بونيه فيوجن من أجل حماية طويلة الأمد من التآكل. مباشرة من خلال التجويف الكامل لتجنب مصائد الحطام ، ومقاومة التدفق الصغيرة.
2 ، إسفين من حديد الدكتايل داخل وخارج المطاط بالكامل مع EPDM أو NBR المفلكن ، ومناسب لمياه الشرب.
3 ، حشية بونيه مطاطية لإطالة العمر وحماية مسامير غطاء المحرك ، ومشابك معزولة للحماية من التآكل.
4 、 ساق من الفولاذ المقاوم للصدأ مع خيط متداول لقوة عالية ومقاومة للتآكل **.
5 ، مرفق الختم الخلفي للسماح باستبدال الأختام تحت ضغط التشغيل الكامل.
6 、 غسالة دفع سفلية لتقليل الاحتكاك.
7 、 صب غدة حديد الدكتايل السميكة ، حلقات O قابلة للاستبدال.
8 ، واقي من الغبار لمنع الشوائب من دخول نظام ختم الساق.
9 ، جلبة نحاسية للمحاذاة ، وتشغيل عزم دوران منخفض.
10 ، الجوز الجذعية مجمعة لأسفل.
11 ، يتم تزويد الصمام بعجلة يدوية أو عمود مكشوف بغطاء مربع ؛ عزم دوران صغير ، فتح وإغلاق سهل.
مجال التطبيق :
نطاق الحجم: DN40 و DN600
أقصى درجة حرارة: 80 درجة مئوية
ضغط التشغيل المسموح به: PN10 、 PN16 、 PN25
صمام البوابة للاستخدام في الري وخدمات المرافق العامة وأنظمة التدفئة والتهوية وتكييف الهواء وأنظمة المياه
سمات:
غطاء محرك السيارة اندفع
قابل للاستبدال يا الدائري
إسفين مطاطي مغلف ، صامولة إسفين نحاسية.
إيبوكسي مدمج من الداخل والخارج ، أزرق RAL 5017 200 ميكرون
ضغط العمل من -1 إلى +16 بار ودرجة حرارة التشغيل من -10 إلى +80 درجة مئوية
المواصفات الفنية:
تصميم الصمام وفقًا لـ SABS 664
أبعاد وجهًا لوجه وفقًا لـ SABS 664
حفر شفة قياسي إلى EN 1092-2 、 ISO 7005-2
اختبار هيدروليكي وفقًا للمواصفة EN 12266 、 ISO5208

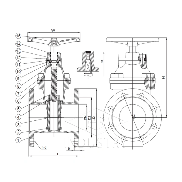
قائمة مواد
| رقم الصنف. | جزء اسم | تخصيص |
| 1 | الجسم | حديد الدكتايل EN- GJS- 500-7 |
| 2 | وتد | حديد الدكتايل EN- GJS- 500-7 |
| 3 | طلاء الوتد | NBR / EPDM EN 681-1 |
| 4 | إسفين البندق | سبائك النحاس |
| 5 | إيقاف | الفولاذ المقاوم للصدأ X20 Cr13 |
| 6 | بونيه حشية | NBR / EPDM EN 681-1 |
| 7 | غطاء محرك السيارة | حديد الدكتايل EN- GJS- 500-7 |
| 8 | يا الدائري الخلفي الختم | EPDM / NBR |
| 9 | طوق الجذعية | الفولاذ المقاوم للصدأ / سبائك النحاس |
| 10 | يا الدائري | EPDM / NBR |
| 11 | يا الدائري | EPDM / NBR |
| 12 | حشوة البندق | سبائك النحاس |
| 13 | حارس الغبار | EPDM / NBR |
| 14 | عقارب | حديد الدكتايل EN- GJS- 500-7 |
| 15 | كاب الجذعية | حديد الدكتايل EN- GJS- 500-7 |