إرسال استفسار لنا
ميزات التصميم:
1 、 جسم من حديد الدكتايل وغطاء محرك للقوة العالية ومقاومة الصدمات. جسم الصمام وطلاء إيبوكسي من النوع B على الشبكة مدمج من أجل حماية طويلة الأمد من التآكل. مستقيم من خلال التجويف الكامل لتجنب مصائد الحطام ، ومقاومة التدفق الصغيرة.
2 ، إسفين من حديد الدكتايل داخل وخارج المطاط بالكامل مع EPDM أو NBR المفلكن ، ومناسب لمياه الشرب.
3 ، حشية بونيه مطاطية لإطالة العمر وحماية مسامير غطاء المحرك ، ومشابك معزولة للحماية من التآكل.
4 、 ساق من الفولاذ المقاوم للصدأ مع خيط متدحرج لقوة عالية ومقاومة للتآكل **.
5 ، مرفق مانع للتسرب الخلفي للسماح باستبدال موانع التسرب تحت ضغط التشغيل الكامل.
6 、 حلقات O قابلة للاستبدال.
7 ، واقي من الغبار لمنع الشوائب من اختراق نظام ختم الساق.
8 ، يتم تزويد الصمام بعجلة يدوية أو عمود مكشوف بغطاء مربع ؛ عزم دوران صغير ، فتح وإغلاق سهل.
مجال التطبيق :
نطاق الحجم: DN40 و DN800
أقصى درجة حرارة: 70 درجة مئوية
ضغط التشغيل المسموح به: PN10 、 PN16 、 PN25
صمام البوابة للاستخدام في الري وخدمات المرافق العامة وأنظمة التدفئة والتهوية وتكييف الهواء وأنظمة المياه
سمات:
غطاء محرك السيارة اندفع
قابل للاستبدال يا الدائري
إسفين مطاطي مغلف ، صامولة إسفين نحاسية.
إيبوكسي مدمج من الداخل والخارج ، أزرق RAL 5017 200 ميكرون
ضغط العمل من -1 إلى +16 بار ودرجة حرارة التشغيل من -10 إلى +80 درجة مئوية
المواصفات الفنية:
تصميم الصمام وفقًا للمواصفة EN 1171 、 DIN3352 、 EN 1074-1 و 2
أبعاد وجهًا لوجه وفقًا للمواصفة EN 558-1 、 DIN3202 F4 / F5
حفر شفة قياسي إلى EN 1092-2 、 ISO 7005-2
اختبار هيدروليكي وفقًا للمواصفة EN 12266 、 ISO5208

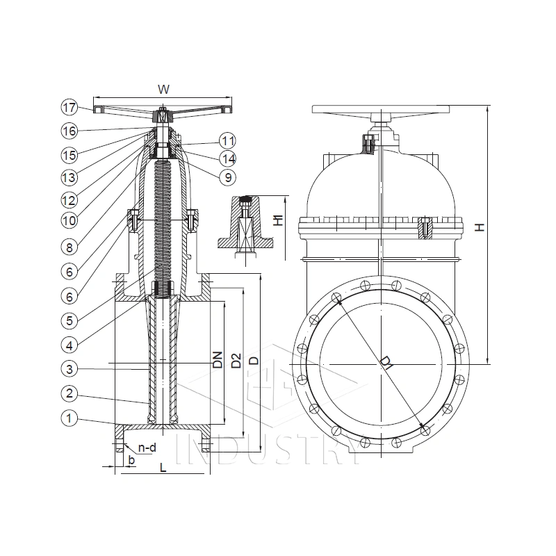
قائمة مواد:
| رقم الصنف. | جزء اسم | تخصيص | |
| 1 | الجسم | حديد الدكتايل GGG50 | |
| 2 | وتد | حديد الدكتايل GGG50 | |
| 3 | طلاء الوتد | NBR / EPDM EN 681-1 | |
| 4 | إسفين البندق | سبائك النحاس | |
| 5 | إيقاف | الفولاذ المقاوم للصدأ X20 Cr13 | |
| 6 | بونيه حشية | NBR / EPDM EN 681-1 | |
| 7 | غطاء محرك السيارة | حديد الدكتايل GGG50 | |
| 8 | يا الدائري الخلفي الختم | EPDM / NBR | |
| 9 | جلبة أسفل | سبائك النحاس | |
| 10 | يا خاتم | EPDM / NBR | |
| 11 | طوق الجذعية | الفولاذ المقاوم للصدأ / النحاس | |
| 12 | يا الدائري | EPDM / NBR | |
| 13 | يا الدائري | EPDM / NBR | |
| 14 | شفة الغدة | حديد الدكتايل GGG50 | |
| 15 | حشو الفلين | سبائك النحاس | |
| 16 | حارس الغبار | EPDM / NBR | |
| 17 | عقارب | حديد الدكتايل GGG50 | |
| 18 | كاب الجذعية | حديد الدكتايل GGG50 | |