お問い合わせを送信
デザインの特徴:
1、高強度と耐衝撃性のためのダクタイル鋳鉄ボディとボンネット。バルブ本体とボンネットフュージョン接着エポキシコーティングにより、長寿命の腐食保護を実現します。デブリトラップを回避するためにフルボアをまっすぐ通過し、流れ抵抗が小さくなります。
2、飲料水に適した加硫EPDMまたはNBRで完全にゴム引きされた内側と外側のダクタイル鋳鉄ウェッジ。
3、ボンネットボルトの寿命と保護のためのゴム製ボンネットガスケット、腐食保護のための絶縁ファスナー。
4、高強度と耐食性のためのローリングスレッド付きステンレス鋼ステム**。
5、完全な操作圧力の下でシールの交換を可能にするバックシール機能。
6、摩擦を減らすためにスラストワッシャーを下げます。
7、位置合わせ用の真ちゅう製ブッシング、低トルク操作。
8、交換可能なOリング。
9、不純物がステムシールシステムに入るのを防ぐためのダストガード。
10、バルブにはハンドホイールまたはスクエアキャップ付きベアシャフトが付属しています。作動トルクが小さく、開閉が簡単です。
応用分野:
サイズ範囲:DN40およびDN300
最高気温:80℃
許容使用圧力:PN10、PN16、PN25
灌漑、一般ユーティリティサービス、HVACおよび水システムで使用するためのゲートバルブ
特徴:
ボルトボンネット
交換可能なOリング
ゴムでカプセル化されたウェッジ、真ちゅう製のウェッジナット。
内側と外側にコーティングされた融着エポキシ、青色RAL 5017200ミクロン厚
-1から+16バールまでの使用圧力と-10から+80ºCまでの使用温度
技術仕様:
EN 1171、DIN3352、EN1074-1および2に準拠したバルブ設計
EN 558-1シリーズ14/15、DIN3202 F4 / F5に準拠した対面寸法
EN 1092-2、ISO7005-2に準拠した標準フランジ穴あけ
EN 12266、ISO5208に準拠した水圧試験

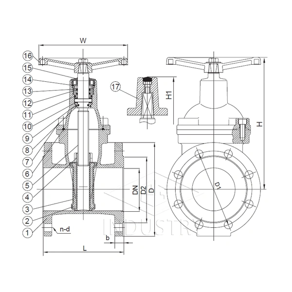
材料リスト
| 商品番号。 | 部品名 | 仕様 |
| 1 | 体 | ダクタイル鋳鉄GGG50 |
| 2 | ウェッジ | ダクタイル鋳鉄GGG50 |
| 3 | ウェッジコーティング | NBR / EPDM EN 681-1 |
| 4 | ウェッジナット | 銅合金 |
| 5 | 幹 | ステンレス鋼X20Cr13 |
| 6 | ボンネットガスケット | NBR / EPDM EN 681-1 |
| 7 | ボンネット | ダクタイル鋳鉄GGG50 |
| 8 | Oリングバックシーリング | EPDM / NBR |
| 9 | ダウンブッシング | 銅合金 |
| 10 | ステムワッシャー | PTEF |
| 11 | Oリング | EPDM / NBR |
| 12 | Oリング | EPDM / NBR |
| 13 | パッキングコルク | 銅合金 |
| 14 | ストッパーリング | 炭素鋼 |
| 15 | ダストガード | EPDM / NBR |
| 16 | HandWheel | ダクタイル鋳鉄GGG50 |
| 17 | ステムキャップ | ダクタイル鋳鉄GGG50 |