お問い合わせを送信
デザインの特徴:
1、高強度と耐衝撃性のためのダクタイル鋳鉄ボディとボンネット。長寿命の腐食保護のためのバルブ本体とボンネットフュージョン接着エポキシコーティング。デブリトラップ、小さな流れ抵抗を回避するために、フルボアをまっすぐ通過します。
2、飲料水に適した加硫EPDMまたはNBRで完全にゴム引きされた内側と外側のダクタイル鋳鉄ウェッジ。
3、ボンネットボルトの寿命と保護のためのゴム製ボンネットガスケット、腐食保護のための絶縁ファスナー。
4、高強度と耐食性のためのローリングスレッド付きステンレス鋼ステム**。
5、完全な操作圧力の下でシールの交換を可能にするバックシール機能。
6、摩擦を減らすためにスラストワッシャーを下げます。
7、ダクタイル鋳鉄厚壁鋳造、交換可能なOリング。
8、不純物がステムシールシステムに入るのを防ぐためのダストガード。
9、位置合わせ用の真ちゅう製ブッシング、低トルク操作。
10、ステムナットを下向きに組み立てます。
11、バルブにはハンドホイールまたはスクエアキャップ付きのベアシャフトが付属しています。作動トルクが小さく、開閉が簡単です。
応用分野:
サイズ範囲:DN40およびDN600
最高気温:80℃
許容使用圧力:PN10、PN16、PN25
灌漑、一般ユーティリティサービス、HVACおよび水システムで使用するためのゲートバルブ
特徴:
ボルトボンネット
交換可能なOリング
ゴムでカプセル化されたウェッジ、真ちゅう製のウェッジナット。
内側と外側にコーティングされた融着エポキシ、青色RAL 5017200ミクロン厚
-1から+16バールまでの使用圧力と-10から+80ºCまでの使用温度
技術仕様:
JIS B 2062 KS B2332に準拠したバルブ設計
JISB2002に準拠した対面寸法
JIS B2003、ISO5208に準拠した水圧試験
JISB2239に準拠した標準フランジ穴あけ

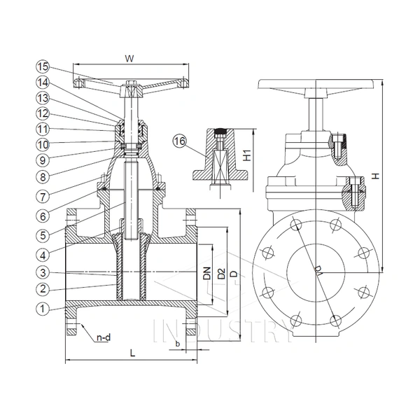
材料リスト
| 商品番号。 | 部品名 | 仕様 |
| 1 | 体 | ダクタイル鋳鉄FCD450 |
| 2 | ウェッジ | ダクタイル鋳鉄FCD450 |
| 3 | ウェッジコーティング | EPDM / NBR |
| 4 | ウェッジナット | 銅合金 |
| 5 | 幹 | ステンレス鋼SS410 |
| 6 | ボンネットガスケット | NBR / EPDM EN 681-1 |
| 7 | ボンネット | ダクタイル鋳鉄GGG50 |
| 8 | Oリングバックシーリング | EPDM / NBR |
| 9 | ステムワッシャー | PEFE |
| 10 | ステムカラー | ステンレス鋼/銅合金 |
| 11 | Oリング | EPDM / NBR |
| 12 | Oリング | EPDM / NBR |
| 13 | グランドフランジ | ダクタイル鋳鉄FCD450 |
| 14 | ダストガード | EPDM / NBR |
| 15 | ハンドホイール | ダクタイル鋳鉄FCD450 |
| 16 | ステムナット | ダクタイル鋳鉄FCD450 |