бидэнд лавлагаа илгээнэ үү
Загварын онцлогууд:
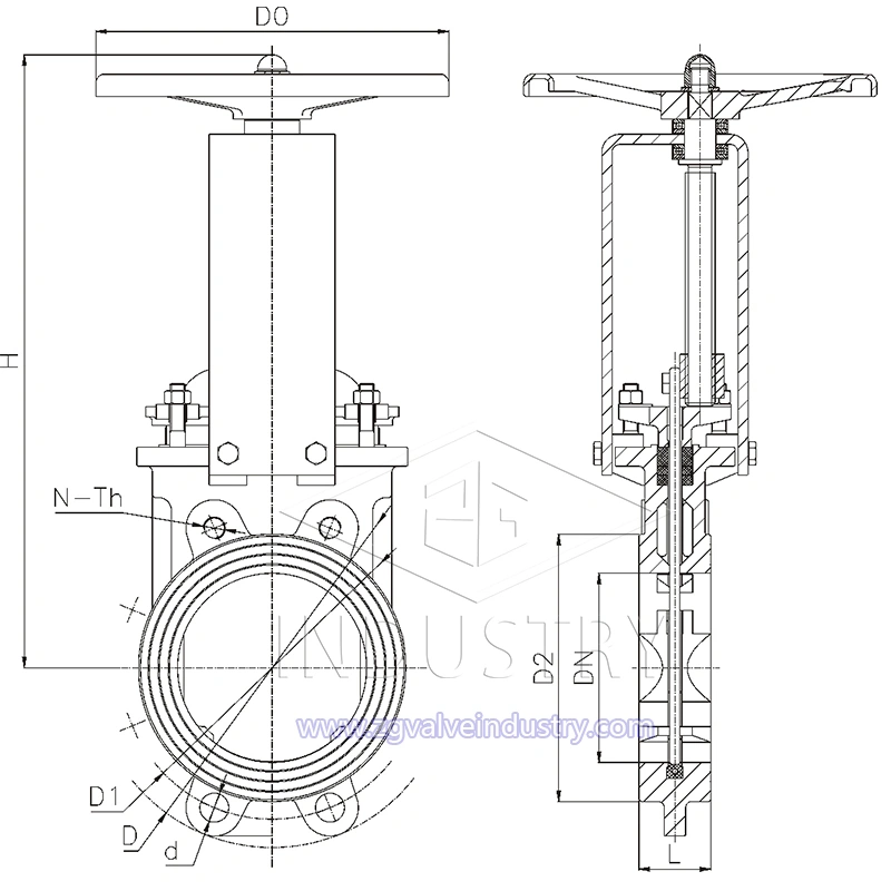
Хутгатай хаалганы хавхлагыг хутганы хаалганы хавхлага, хутганы хаалганы хавхлага, зутан хавхлага, шавар хавхлага гэж нэрлэдэг бөгөөд түүний нээх, хаах хэсэг нь хаалга юм. Хутга хаалганы хавхлагын хаалганы хөдөлгөөний чиглэл нь шингэний чиглэлд перпендикуляр бөгөөд шилэн материалыг зүсэх боломжтой ир хэлбэртэй хаалгаар дунд хэсэг нь таслагдана.
Хутгатай хаалганы хавхлага нь жижиг хэмжээтэй, урсгал багатай, хөнгөн жинтэй, угсралтад хялбар, задлахад хялбар гэх мэт давуу талтай нь энгийн хаалганы хавхлага, хавтгай хавхлага, бөмбөг хавхлагын том урсгалын эсэргүүцэл, хүнд жин зэргийг бүрэн шийддэг. , бөмбөрцөг хавхлага, тохируулагч хавхлага, эрвээхэй хавхлага гэх мэт.. Хэцүү суурилуулалт, том талбай зэрэг хүндрэлтэй асуудлууд. Хутгатай хаалганы хавхлагууд гарч ирсний дараа олон тооны ерөнхий хаалттай хавхлагууд болон зохицуулах хавхлагуудыг сольсон.
Хутга хаалганы хавхлага нь суурилуулах зай багатай, ажлын даралт багатай, хог хаягдлыг хуримтлуулахад хялбар биш, үнэ багатай.
Хутгатай хаалганы хавхлагыг хаах үед битүүмжлэх гадаргуу нь зөвхөн дунд даралт дээр тулгуурлан битүүмжлэх боломжтой, өөрөөр хэлбэл хаалганы битүүмжлэх гадаргууг нөгөө талдаа хавхлагын суудлын эсрэг дарж дунд даралтанд тулгуурлана. битүүмжлэх гадаргуу. Энэ бол өөрөө битүүмжлэх явдал юм. Ихэнх хаалганы хавхлагыг албадан битүүмжлэх аргыг ашигладаг, өөрөөр хэлбэл хавхлагыг хаах үед битүүмжлэлийн гадаргуугийн битүүмжлэлийг хангахын тулд хаалгыг гадны хүчээр хавхлагын суудал руу шахах шаардлагатай. Энэ төрлийн хавхлагыг ерөнхийдөө шугам хоолойд босоо байдлаар суурилуулсан байх ёстой.
Хэрэглээний талбар:
Хэмжээний хүрээ: 1 1/2"-48"/DN40-DN1200
Температур: (-)29℃-аас (+) 120℃ хүртэл
Ашиглалтын зөвшөөрөгдөх даралт: PN10/PN16
Хутгатай хавхлагын хэрэглээний хамрах хүрээ нь:
1. Уул уурхай, нүүрс угаах, төмөр, гангийн үйлдвэр-нүүрс угаах хоолой, шүүлтүүрийн зутан дамжуулах хоолой гэх мэт, үнс зайлуулах хоолой;
2. Цэвэршүүлэх төхөөрөмж-бохир ус, шавар, шороо, түдгэлзүүлсэн бодис бүхий тунгалаг ус;
3. Цаасны үйлдвэр-целлюлоз, материал, усны хольцын аль ч тууштайд ашиглагддаг;
4. Үнсний зутанг үйлдвэрлэх цахилгаан станцыг устгах.
Гүйцэтгэлийн үзүүлэлтүүд:
| Нэрлэсэн даралт | PN10 | PN16 |
| Нэрлэсэн даралт | 1.0 Мпа | 1.6 Мпа |
| Эрчим хүчний туршилт | 1.5 Мпа | 2.4 Мпа |
| Арын тамга | 1.1 Мпа | 1.76 Мпа |
| Битүүмжлэх туршилт | 1.1 Мпа | 1.76 Мпа |
| Хийн туршилт | 0.6 Мпа | 0.6 Мпа |
| Ажлын температур | -29℃ ~ 120℃ | |
| Дунд | Целлюлоз, шавар, бохир ус, нунтаг, төрөл бүрийн шингэн шингэн | |
Техникийн үзүүлэлтүүд:
Төгсгөлийн фланцын хэмжээ GB/T9113.1

МАТЕРИАЛЫН ЖАГСААЛТ
| Хэсгийн нэр | Тодорхойлолт |
| Бие | HT200, QT450 |
| Диск | 2Cr13,201,304,316,316л |
| Иш | 2Cr13,304,316,316л |
| Суудал | EPD, NBR |
| Савлах | PTFE савлагаа, Графит савлагаа |
| Ste Nut | Цутгамал хөнгөн цагаан гууль |
| Гар дугуй | тэсвэртэй төмөр |
| Стандарт дагалдах хэрэгсэл | A3, зэвэрдэггүй ган |