send forespørsel til oss
Designfunksjoner:
1、 Duktilt jernhus og panser for høy styrke og slagfasthet. Ventilhus og B onnett Fusjonsbundet epoksybelegg for lang levetid korrosjonsbeskyttelse. Rett gjennom hele boringen for å unngå ruskfeller, liten strømningsmotstand.
2、 Duktilt jernkile innvendig og utvendig fullstendig gummiert med vulkanisert EPDM eller NBR, egnet for drikkevann.
3、Gummi panserpakning for lang levetid og beskyttelse av panserbolter, isolerte festemidler for korrosjonsbeskyttelse.
4、Stammen i rustfritt stål med rulletråd for høy styrke og korrosjonsmotstand **.
5、Tetting på baksiden for å tillate utskifting av tetninger under fullt driftstrykk.
6, Utskiftbare O-ringer.
7、 Dust Guard for å forhindre at urenheter kommer inn i stammeforseglingssystemet.
8、Ventil leveres med håndhjul eller bar aksel med firkantet hette; Lite betjeningsmoment, enkel åpning og lukking.
Bruksområde:
Størrelsesområde: DN40 og DN800
Maksimal temperatur: 70˚C
Tillatt driftstrykk: PN10, PN16, PN25
Portventil for bruk i vanning, generelle verktøy, HVAC og vannsystemer
Funksjoner:
Bolt med bolt
Utskiftbar O-ring
Gummiinnkapslet kile, kilemutter i messing.
Fusion bonded epoxy belagt innvendig og utvendig, blå RAL 5017 200 Micron tykk
Arbeidstrykk fra -1 til +16 Bar og arbeidstemperatur fra -10 til +80 ºC
Teknisk spesifikasjon:
Ventildesign i henhold til EN 1171、DIN3352、EN 1074-1 og 2
Dimensjoner ansikt til ansikt i henhold til EN 558-1 Series 14/15、 DIN3202 F4/F5
Standard flensboring i henhold til EN 1092-2, ISO 7005-2
Hydraulisk test i henhold til EN 12266, ISO5208

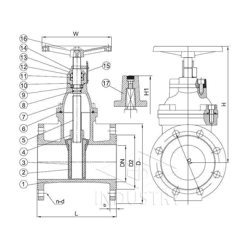
MATERIALLISTE
| Varenr. | Delnavn | Spesifikasjon |
| 1 | Kropp | Duktilt jern GGG50 |
| 2 | Kile | Duktilt jern GGG50 |
| 3 | Kilebelegg | NBR /EPDM EN 681-1 |
| 4 | Kilemutter | Kopperlegering |
| 5 | Stilk | Rustfritt stål X20 Cr13 |
| 6 | Panserpakning | NBR /EPDM EN 681-1 |
| 7 | Panser | Duktilt jern GGG50 |
| 8 | O Ringryggforsegling | EPDM/NBR |
| 9 | Stengelkrage | Rustfritt stål / messing |
| 10 | O-ring | EPDM/NBR |
| 11 | O-ring | EPDM/NBR |
| 12 | Kjertelflens | Duktilt jern GGG50 |
| 1. 3 | Stuffing Nut | Kopperlegering |
| 14 | Støvvakt | EPDM/NBR |
| 15 | Posisjonsindikator | Rustfritt stål |
| 16 | Håndhjul | Duktilt jern GGG50 |
| 17 | Stilkhette | Duktilt jern GGG50 |