send forespørsel til oss
Designfunksjoner:
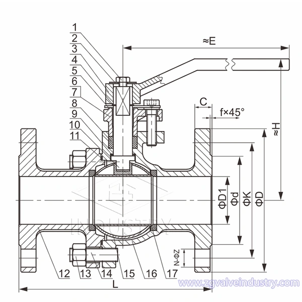
Todelt kuleventil og flensportventil er samme type ventil. Forskjellen er at dens lukkedel er en kule, som roterer rundt senterlinjen til ventilhuset for å oppnå åpning og lukking. Kuleventilen brukes hovedsakelig til å kutte av, fordele og endre strømningsretningen til mediet i rørledningen.
Seks fordeler med todelt kuleventil:
1. Den todelte kuleventilen er enkel å betjene og åpne og lukke raskt. Den trenger bare å rotere 90° fra helt åpen til helt lukket, noe som er praktisk for fjernkontroll.
2. Praktisk vedlikehold, enkel struktur på kuleventilen, tetningsringen er generelt bevegelig, det er mer praktisk å demontere og erstatte, prisen på denne typen rustfri kulejustering er også billigere.
3. Den todelte kuleventilen er tett og pålitelig. Den har to tetningsflater, og forskjellige plaster er mye brukt som tetningsoverflatematerialer til kuleventilen, som har god tetningsytelse og kan oppnå fullstendig tetning. Det har også vært mye brukt i vakuumsystemer.
4. Todelt kuleventil har enkel struktur, liten størrelse og lett vekt.
5. Den todelte kuleventilen har lav væskemotstand, og kuleventilen med full boring har i utgangspunktet ingen gjennomstrømning.
6. Når den er helt åpen eller helt lukket, er tetningsflaten til kulen og ventilsetet isolert fra mediet, og mediet vil ikke forårsake erosjon av ventilens tetningsflate når mediet passerer.
Bruksområde :
Størrelsesområde: 1/2"-24"/DN15-DN600
Temperatur: (-)29 ℃ til 180 ℃
Tillatt driftstrykk: PN10/PN16/PN25/PN40/PN64
Kuleventil for bruk i petrokjemisk industri, kjemi, fibertekstiler, plast, papirproduksjon, kraftindustri, stål, gummi og gasssystemer.
Ytelsesspesifikasjoner:
Søknad om: Vann, Olje & Gass
Skaltest: 1,5 ganger
Setetest: 1,1 ganger
Teknisk spesifikasjon:
1.Designvurdering: GB/T12237
2.Ansikt til ansikt: GB1221,ANSIB16.10
3.Flensstandard: JBT9,GB/T9113,ANSI B16.5
4.Inspeksjon og test: GB/T26480,JB/T9092
5. Medium: brennbar, eksplosiv, giftig væske, varmeledende olje og væske.

MATERIALLISTE
| Del | Materiale | ||||
| Body & Body Cap | WCB | CF8 | CF3 | CF8M | CF3M |
| Ball | 201 | F304 | F304L | F316 | F316L |
| Stilk | F6a | F304 | F304L | F316 | F316L |
| Sete | PTFE/RPTFE/Nylon | ||||
| Vår | 17-49H | ||||
| Stud | A193-B7 | A193-B8 | |||