küldje el nekünk kérdését
Tervezési jellemzők:
A kovácsolt acél szelepeket főként hőerőművek különféle rendszereinek csővezetékeiben használják, és különféle folyadékok, például levegő, víz, gőz, különböző korrozív közegek, sár, olaj, folyékony fém és radioaktív anyagok áramlásának szabályozására használhatók. média. Más szeleptermékekkel összehasonlítva a kovácsolt acél szelepeket magas hőmérséklet és nagy nyomásállóság, egyedi önzáró kialakítás jellemzi, minél nagyobb a nyomás, annál megbízhatóbb a tömítés. A különleges teljesítménynek, műszaki jellemzőknek és munkakörülményeknek köszönhetően a termék olyan tulajdonságokat alakított ki, amelyeket más termékek nem helyettesíthetnek.
A visszacsapó szelepek azok a szelepek, amelyek leállítják a folyadék visszaáramlását. A tárcsa a folyadék nyomásával nyitható. Ezután a folyadék a bemenettől a kimeneti oldalig folyik. Ha a bemeneti nyomás kisebb, mint a kimenet, a tárcsa automatikusan lezárható, és megállíthatja a folyadék visszaáramlását.
A ZG visszacsapó szelep jellemzői
1. Racionális szerkezetek, megbízható tömítés. A termék szerkezete ésszerű, a tömítés megbízható és a teljesítmény jó.
2. Keményötvözet tömítés, hosszú élettartamú. A tömítőfelület keményötvözetből van hegesztve, amely jó kopásállósággal és hosszú élettartammal rendelkezik.
Alkalmazási terület:
Mérettartomány: 1/2"-2"/DN15-DN50
Hőmérséklet: CS -29 ℃ - 425 ℃ SS -59 ℃ - 540 ℃
Megengedett üzemi nyomás: 800 LB/1500 LB/2500 LB
Visszacsapó szelep petrolkémiai iparban, vegyiparban, textilszálas iparban, műanyagokban, papírgyártásban, energiaiparban, acél-, gumi- és gázrendszerekben való használatra.
Teljesítmény specifikációk:
| Névleges nyomás | 800 LB | 1500 LB | 2500 LB |
| Shell teszt | 19,5 MPa | 37,5 MPa | 63,0 MPa |
| Tömítés teszt | 14,3 MPa | 27,5 MPa | 46,2 MPa |
| Megfelelő hőmérséklet | CS -29 - 425 ℃ SS - 59 - 540 ℃ | ||
| Közepes | WOG | ||
Műszaki specifikáció:
1. Tervezési szabvány: API 602 / ANSI B 16.34
2. Szemtől szembeni méret: ANSI B 16.10
3. Csatlakozás típusa: Aljzathegesztés ANSI B 16.11, Menetes végű NPT ANSI B 1.20.1
4. Szerkezetek: Lift típus és lengő típus
5. Tesztszabvány: API 598


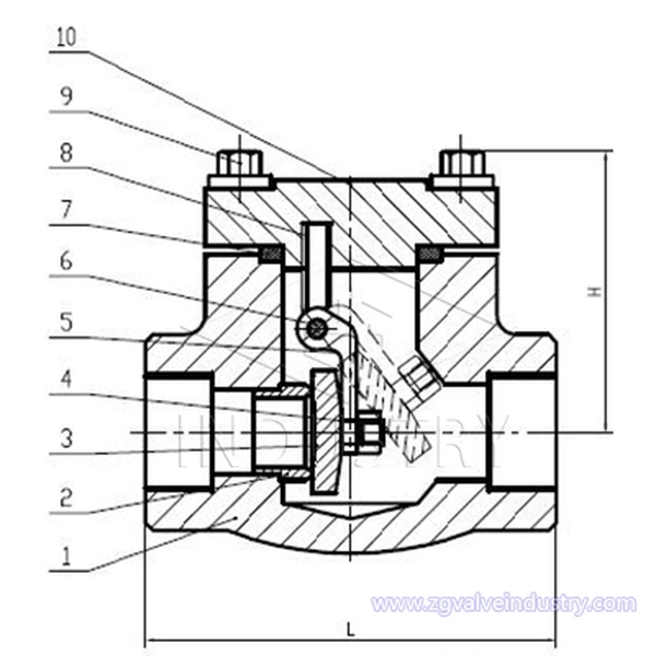
ANYAGLISTA
| Cikkszám. | Rész név | Leírás |
| 1 | Test | A105,LF2,F5,F11,F22,F304,F316 |
| 2 | Ülés | A276-420+STL,304+STL,316+STL |
| 3 | Lemez | A276-420+STL,304,316 |
| 4 | Dió | A194 - 8 |
| 5 | Rocker | A351 - CF8M |
| 6 | Pin | A276-304 |
| 7 | Tömítés | Grafit+304, 316+Grafit |
| 8 | Csavar | A193 B7, B8 |
| 9 | Motorháztető csavar | A193 B7, B8 |
| 10 | Motorháztető | A105,LF2,F5,F11,F22,F304,F316 |