stuur een onderzoek naar ons
Ontwerpkenmerken:
Terugslagkleppen zijn de kleppen om te voorkomen dat de vloeistof terugstroomt. De schijf kan worden geopend door de vloeistofdruk. En dan loopt de vloeistof van de inlaat- naar de uitlaatzijde. Wanneer de druk van de inlaat lager is dan de uitlaat, kan de schijf automatisch worden gesloten en de vloeistof stoppen met terugstromen.
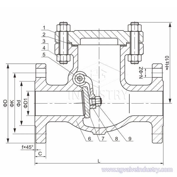
De terugslagklep heeft een ingebouwde schommelstructuur. Alle openende en sluitende delen van de klep zijn in het kleplichaam geïnstalleerd en dringen niet door het kleplichaam. Behalve de afdichtingspakking en de afdichtring bij de middelste flens, is het geheel Er is geen lekkagepunt, waardoor de mogelijkheid van kleplekkage wordt voorkomen. De zwenkarm van de terugslagklep neemt een bolvormige verbindingsstructuur aan bij de verbinding tussen de tuimelaar en de klepklep, zodat de klepklep een zekere mate van vrijheid heeft binnen het bereik van 360 graden, en er is een geschikte micropositie een vergoeding.
Het is geschikt voor schone media, niet voor media die vaste deeltjes en een hoge viscositeit bevatten.
ZG terugslagklep kenmerken:
1. Rationele structuren, betrouwbare afdichting. De productstructuur is redelijk, de afdichting is betrouwbaar en de prestaties zijn goed.
2. Hardgelegeerde afdichting, lange levensduur. Het afdichtingsoppervlak is gelast met een harde legering, die een goede slijtvastheid en een lange levensduur heeft.
Toepassingsgebied:
Maatbereik: 2"-24"/DN50-DN600
Temperatuur: (-)29℃ tot 425℃
Toegestane werkdruk: JIS10K/20K
Terugslagklep voor gebruik in de petrochemische industrie, chemie, vezeltextiel, plastic, papierfabricage, energie-industrie, staal-, rubber- en gassystemen.
Technische specificatie:
1. Ontwerpnorm: JISB2071; ASME B16.34
2. Aansluitflens: JIS B2220
3. Van aangezicht tot aangezicht: JIS B2002
4.Test en inspectie: JIS B2003
5. Medium: water, olie, gas enz...


LIJST VAN MATERIALEN
| Deel | Materiaal | ||
| Lichaam | WCB | CF8 | CF8M |
| Schijf | WCB+13Cr/WCB+STL | CF8 | CF8M |
| pet | WCB | CF8 | CF8M |
| Stang | F6a | F304 | F316 |
| Oogboutschroef | B7 | ||