wyślij zapytanie do nas
Cechy konstrukcyjne:
1) Korpus i maska z żeliwa sferoidalnego zapewniają wysoką wytrzymałość i odporność na uderzenia. Powłoka epoksydowa połączona z korpusem zaworu i Bonnet Fusion zapewnia długotrwałą ochronę przed korozją. Prosto przez pełny otwór, aby uniknąć osadzania zanieczyszczeń, mały opór przepływu.
2) Klin z żeliwa sferoidalnego wewnątrz i na zewnątrz w pełni gumowany wulkanizowanym EPDM lub NBR, odpowiedni do wody pitnej.
3) Gumowa uszczelka maski zapewniająca długowieczność i ochronę śrub maski, izolowane łączniki dla ochrony przed korozją.
4、 Trzpień ze stali nierdzewnej z gwintem tocznym zapewniającym wysoką wytrzymałość i odporność na korozję**.
5、 Funkcja tylnego uszczelnienia umożliwiająca wymianę uszczelek pod pełnym ciśnieniem roboczym.
6、 Obniż podkładkę oporową, aby zmniejszyć tarcie.
7、 Odlew z grubej ściany z żeliwa sferoidalnego, wymienne O-ringi.
8、 Osłona przeciwpyłowa zapobiegająca przedostawaniu się zanieczyszczeń do systemu uszczelnienia trzpienia.
9、 Tuleja mosiężna do wyrównania, praca przy niskim momencie obrotowym.
10、 Nakrętka trzpienia zamontowana w dół.
11、Zawór jest dostarczany z pokrętłem lub gołym wałem z kwadratową nasadką; Mały moment obrotowy, łatwe otwieranie i zamykanie.
Zakres zastosowania:
Zakres rozmiarów: DN40 i DN600
Maksymalna temperatura: 80˚C
Dopuszczalne ciśnienie robocze: PN10、PN16、PN25
Zasuwa do stosowania w nawadnianiu, usługach użyteczności publicznej, instalacjach HVAC i wodnych
Cechy:
Przykręcana maska
Wymienny O-ring
Gumowany klin, mosiężna nakrętka klinowa.
Zewnętrzna i wewnętrzna powłoka epoksydowa klejona metodą fuzji, kolor niebieski RAL 5017 Grubość 200 mikronów
Ciśnienie robocze od -1 do +16 Bar i temperatura robocza od -10 do +80 ºC
Specyfikacja techniczna:
Konstrukcja zaworu zgodnie z EN 1171、BS5163、EN 1074-1 i 2
Wymiary zabudowy zgodnie z BS5163、EN 551-1 Seria 13
Standardowe wiercenie kołnierzy zgodnie z EN 1092-2 (ISO 7005-2)
Test hydrauliczny zgodnie z EN 12266、ISO5208

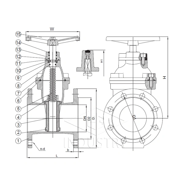
LISTA MATERIAŁÓW
| Przedmiot nr. | Częściowe imię | Specyfikacja |
| 1 | Ciało | Żeliwo sferoidalne EN- GJS- 500- 7 |
| 2 | Klin | Żeliwo sferoidalne EN- GJS- 500- 7 |
| 3 | Powłoka klinowa | NBR/EPDM EN 681-1 |
| 4 | Nakrętka klinowa | Stop miedzi |
| 5 | Trzon | Stal nierdzewna X20 Cr13 |
| 6 | Uszczelka maski | NBR/EPDM EN 681-1 |
| 7 | Czapeczka | Żeliwo sferoidalne EN- GJS- 500- 7 |
| 8 | Uszczelnienie pierścienia O-ring | EPDM/NBR |
| 9 | Podkładka do łodyg | PEFE |
| 10 | Kołnierz macierzysty | Stal nierdzewna / mosiądz |
| 11 | O-ring | EPDM/NBR |
| 12 | O-ring | EPDM/NBR |
| 13 | Kołnierz dławikowy | Żeliwo sferoidalne EN- GJS- 500- 7 |
| 14 | Osłona przeciwpyłowa | EPDM/NBR |
| 15 | Pokrętło | Żeliwo sferoidalne EN- GJS- 500- 7 |
| 16 | Nasadka łodygi | Żeliwo sferoidalne EN- GJS- 500- 7 |