wyślij zapytanie do nas
Cechy konstrukcyjne:
1、 Korpus i maska z żeliwa sferoidalnego zapewniają wysoką wytrzymałość i odporność na uderzenia. Powłoka epoksydowa połączona z korpusem zaworu i osłoną Bonnet Fusion zapewnia długotrwałą ochronę przed korozją. Prosto przez pełny otwór, aby uniknąć gromadzenia się zanieczyszczeń, mały opór przepływu.
2) Klin z żeliwa sferoidalnego wewnątrz i na zewnątrz w pełni gumowany wulkanizowanym EPDM lub NBR, odpowiedni do wody pitnej.
3, Gumowa uszczelka maski zapewniająca długowieczność i ochronę śrub maski, izolowane łączniki dla ochrony przed korozją.
4、 Trzpień ze stali nierdzewnej z gwintem do toczenia zapewniającym wysoką wytrzymałość i odporność na korozję**.
5、 Funkcja tylnego uszczelnienia umożliwiająca wymianę uszczelek pod pełnym ciśnieniem roboczym.
6、 Obniż podkładkę oporową, aby zmniejszyć tarcie.
7、 Tuleja POM do wyrównania, praca przy niskim momencie obrotowym.
8、 Wymienne O-ringi.
9、Ochrona przed kurzem, aby zapobiec przedostawaniu się zanieczyszczeń do systemu uszczelnienia trzpienia.
10 、Zawór jest dostarczany z pokrętłem lub wałkiem z kwadratową nasadką; Mały moment obrotowy, łatwe otwieranie i zamykanie.
Zakres zastosowania:
Zakres rozmiarów: DN40 i DN300
Maksymalna temperatura: 80˚C
Dopuszczalne ciśnienie robocze: PN10、PN16、PN25
Zasuwa do stosowania w nawadnianiu, usługach użyteczności publicznej, instalacjach HVAC i wodnych
Cechy:
Przykręcana maska
Wymienny O-ring
Gumowany klin, mosiężna nakrętka klinowa.
Zewnętrzna i wewnętrzna powłoka epoksydowa klejona metodą fuzji, kolor niebieski RAL 5017 Grubość 200 mikronów
Ciśnienie robocze od -1 do +16 Bar i temperatura robocza od -10 do +80 ºC
Specyfikacja techniczna:
Konstrukcja zaworu zgodnie z EN 1171、DIN3352、EN 1074-1 i 2
Wymiary zabudowy zgodnie z EN 558-1 Seria 14/15、 DIN3202 F4/F5
Standardowe wiercenie kołnierzy zgodnie z EN 1092-2 (ISO 7005-2)
Test hydrauliczny zgodnie z EN 12266、ISO5208

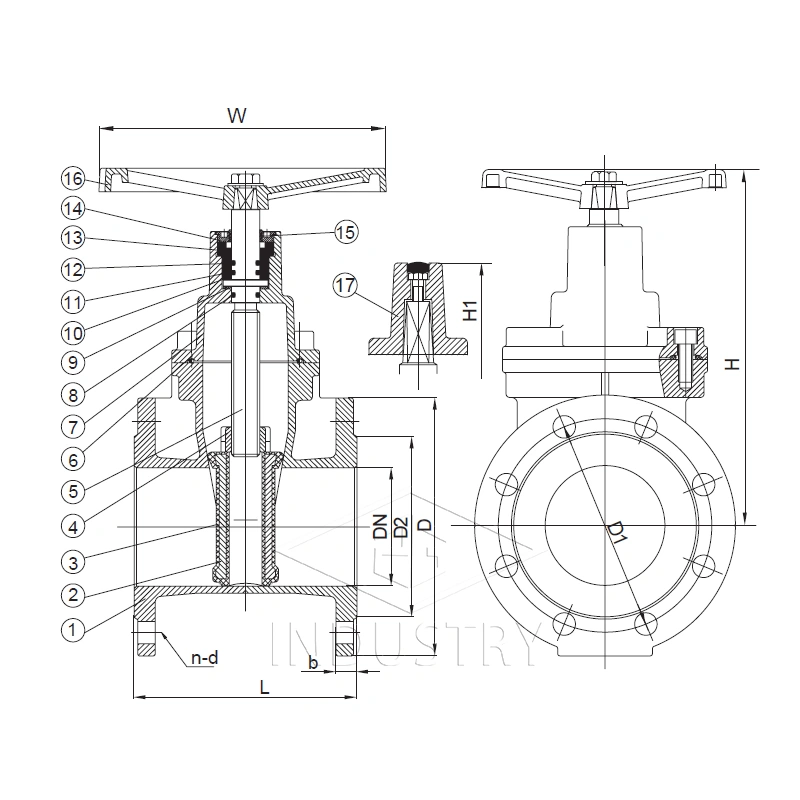
LISTA MATERIAŁÓW
| Przedmiot nr. | Częściowe imię | Specyfikacja |
| 1 | Ciało | Żeliwo sferoidalne GGG50 |
| 2 | Klin | Żeliwo sferoidalne GGG50 |
| 3 | Powłoka klinowa | NBR/EPDM EN 681-1 |
| 4 | Nakrętka klinowa | Stop miedzi |
| 5 | Trzon | Stal nierdzewna X20 Cr13 |
| 6 | Uszczelka maski | NBR/EPDM EN 681-1 |
| 7 | Czapeczka | Żeliwo sferoidalne GGG50 |
| 8 | Uszczelnienie pierścienia O-ring | EPDM/NBR |
| 9 | Uszczelka smaru | PEFE |
| 10 | Tuleja do farszu | POM |
| 11 | O pierścień | EPDM/NBR |
| 12 | O pierścień | EPDM/NBR |
| 13 | Tuleja dławnicy | Stop miedzi |
| 14 | Górna obudowa | Nylon |
| 15 | Osłona przeciwpyłowa | EPDM/NBR |
| 16 | Pokrętło | Żeliwo sferoidalne GGG50 |
| 17 | Nasadka łodygi | Żeliwo sferoidalne GGG50 |