envíanos tu consulta
Caracteristicas de diseño:
Las válvulas de acero forjado se utilizan principalmente en las tuberías de varios sistemas en centrales térmicas, y se pueden utilizar para controlar el flujo de varios tipos de fluidos como aire, agua, vapor, diversos medios corrosivos, lodo, aceite, metal líquido y radiactivo. medios de comunicación. En comparación con otros productos de válvulas, las válvulas de acero forjado se caracterizan por su resistencia a altas temperaturas y altas presiones, un diseño único de autosellado, cuanto mayor es la presión, más confiable es el sello. Debido al rendimiento especial, las características técnicas y las condiciones de trabajo, el producto ha formado características que otros productos no pueden reemplazar.
Las válvulas de retención son las válvulas que detienen el flujo de retorno del fluido. El disco se puede abrir mediante la presión de un fluido. Y luego el fluido corre desde la entrada al lado de salida. Cuando la presión de entrada es menor que la de salida, el disco se puede cerrar automáticamente y detener el reflujo del fluido.
Características de la válvula de retención ZG
1. Estructuras racionales, sellado confiable. La estructura del producto es razonable, el sello es confiable y el rendimiento es bueno.
2. Sello de aleación dura, larga duración. La superficie de sellado está soldada con aleación dura, que tiene buena resistencia al desgaste y una larga vida útil.
Campo de aplicación:
Rango de tamaño: 1/2 "-2" / DN15-DN50
Temperatura: CS -29 - 425 ℃ SS -59 ℃ - 540 ℃
Presión de funcionamiento permitida: 150LB / 300LB / 600LB / 900LB / 1500LB
Válvula de retención para uso en industria petroquímica, química, textiles de fibra, plástico, fabricación de papel, industria energética, acero, caucho y sistemas de gas.
Especificación técnica:
1. Estándar de diseño: API 602 / ANSI B 16.34
2. Dimensión cara a cara: ANSI B 16.10
3. Tipo de conexión: Extremo con brida ANSI B 16.5
4. Estructuras: bonete atornillado, bonete soldado y tipo sellado con sello
5. Estándar de prueba: API 598


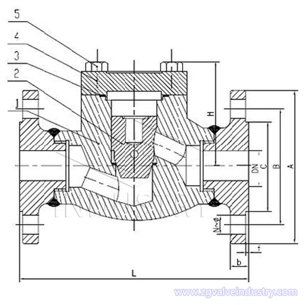
LISTA DE MATERIALES
| Artículo No. | Nombre de la pieza | Especificación |
| 1 | Cuerpo | A105, LF2, F5, F11, F22, F304, F316 |
| 2 | Asiento | A276-420 + STL, 304 + STL, 316 + STL |
| 3 | Desct | A276-420 + STL, 304,316 |
| 4 | Nuez | A194 - 8 |
| 5 | Balancín | A351 - CF8M |
| 6 | Alfiler | A276-304 |
| 7 | Empaquetadura | Grafito + 304, 316 + Grafito |
| 8 | Tornillo | A193 B7, B8 |
| 9 | Perno del capó | A193 B7, B8 |
| 10 | Capó | A105, LF2, F5, F11, F22, F304, F316 |