envíanos tu consulta
Caracteristicas de diseño:
Las válvulas de retención son las válvulas que detienen el flujo de retorno del fluido. El disco se puede abrir mediante la presión de un fluido. Y luego el fluido corre desde la entrada al lado de salida. Cuando la presión de entrada es menor que la de salida, el disco se puede cerrar automáticamente y detener el reflujo del fluido.
La válvula de retención de oscilación adopta una estructura de oscilación basculante incorporada. Todas las partes de apertura y cierre de la válvula están instaladas dentro del cuerpo de la válvula y no penetran en el cuerpo de la válvula. Excepto por la junta de estanqueidad y el anillo de estanqueidad en la brida central, el conjunto No hay punto de fuga, lo que evita la posibilidad de fuga de la válvula. El brazo oscilante de la válvula de retención oscilante adopta una estructura de conexión esférica en la conexión entre el balancín y la trampilla de la válvula, de modo que la trampilla de la válvula tiene un cierto grado de libertad dentro del rango de 360 grados, y hay una microposición apropiada. compensación.
Es adecuado para medios limpios, no para medios que contengan partículas sólidas y alta viscosidad.
Características de la válvula de retención ZG:
1. Estructuras racionales, sellado confiable. La estructura del producto es razonable, el sello es confiable y el rendimiento es bueno.
2. Sello de aleación dura, larga duración. La superficie de sellado está soldada con aleación dura, que tiene buena resistencia al desgaste y una larga vida útil.
Campo de aplicación:
Rango de tamaño: 2 "-12" / DN50-DN300
Temperatura de trabajo: ≤120 ° C
Presión de funcionamiento permitida: PN10 / PN16 / 125LB / 150LB
Válvula de retención para uso en industria petroquímica, química, textiles de fibra, plástico, fabricación de papel, industria energética, acero, caucho y sistemas de gas.
Especificación técnica:
1. Dimensión cara a cara DIN3202-F1
2. Dimensión de la brida final EN1092-2

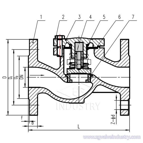
LISTA DE MATERIALES
| Nombre de la pieza | Material |
| Cuerpo | GG25 / GGG50 |
| Tornillo | Acero carbono |
| Capó | GGG40 |
| Desct | 2Cr13 |
| Primavera | SS304 |
| Empaquetadura | Grafito |
| Anillo de sello del cuerpo | 2Cr13 |