küldje el nekünk kérdését
Tervezési jellemzők:
A visszacsapó szelepek azok a szelepek, amelyek leállítják a folyadék visszaáramlását. A tárcsa a folyadék nyomásával nyitható. Ezután a folyadék a bemenettől a kimeneti oldalig folyik. Ha a bemeneti nyomás kisebb, mint a kimenet, a tárcsa automatikusan lezárható, és megállíthatja a folyadék visszaáramlását.
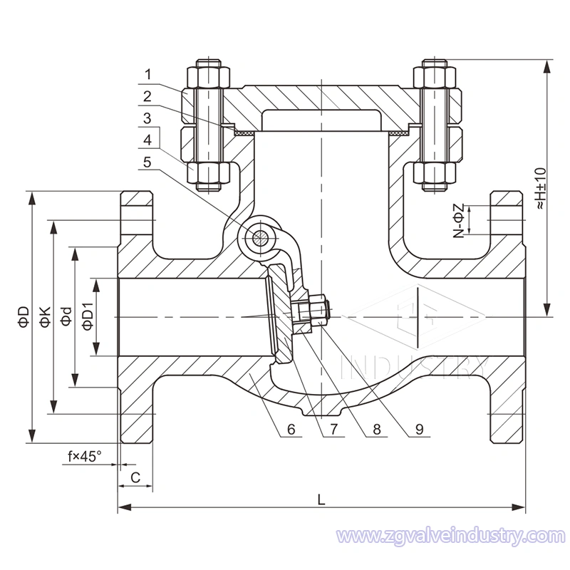
A lengő-visszacsapó szelep beépített lengőszerkezettel rendelkezik. A szelep összes nyitó és záró része a szeleptest belsejében van felszerelve, és nem hatol be a szeleptestbe. A középső karima tömítő tömítésén és tömítőgyűrűjén kívül az egész Nincs szivárgási pont, ami megakadályozza a szelep szivárgását. A lengő-visszacsapó szelep lengőkarja gömb alakú csatlakozási szerkezetet vesz fel a lengőkar és a szelepcsappantyú közötti csatlakozásnál, így a szelepcsappantyúnak bizonyos fokú szabadsága van 360 fokos tartományon belül, és megfelelő mikrohelyzet van. kártérítés.
Tiszta közeghez alkalmas, szilárd részecskéket tartalmazó és nagy viszkozitású közegekhez nem.
A ZG visszacsapó szelep jellemzői:
1. Racionális szerkezetek, megbízható tömítés. A termék szerkezete ésszerű, a tömítés megbízható és a teljesítmény jó.
2. Keményötvözet tömítés, hosszú élettartamú. A tömítőfelület keményötvözetből van hegesztve, amely jó kopásállósággal és hosszú élettartammal rendelkezik.
Alkalmazási terület:
Mérettartomány: 2"-24"/DN50-DN600
Hőmérséklet: (-)29 ℃ és 425 ℃ között
Megengedett üzemi nyomás: 150 LB/300 LB/600 LB
Visszacsapó szelep petrolkémiai iparban, vegyiparban, textilszálas iparban, műanyagokban, papírgyártásban, energiaiparban, acél-, gumi- és gázrendszerekben való használatra.
Műszaki specifikáció:
1. Tervezési szabvány: API600, ASME B16.34
2. Szemtől szemben: ANSI B16.10
3.RF karimavégek: ANSI B16.5
4. Tompahegesztési végek: ASME B16.25
5. Vizsgálja meg és tesztelje: API6D és API 598
6. Közepes: víz, olaj, gáz, kőolajtermékek, salétromsav, ecetsav.



ANYAGLISTA
| Rész | Anyag | ||
| Test | WCB | CF8 | CF8M |
| Lemez | WCB+13Cr/WCB+STL | CF8 | CF8M |
| Sapka | WCB | CF8 | CF8M |
| Származik | F6a | F304 | F316 |
| Szemcsavar csavar | B7 | ||