wyślij zapytanie do nas
Cechy konstrukcyjne:
Dwuczęściowy zawór kulowy i zasuwa kołnierzowa to ten sam typ zaworu. Różnica polega na tym, że jego zamykająca część jest kulą, która obraca się wokół osi korpusu zaworu, aby uzyskać otwieranie i zamykanie. Zawór kulowy służy głównie do odcinania, rozprowadzania i zmiany kierunku przepływu medium w rurociągu.
Sześć zalet dwuczęściowego zaworu kulowego:
1. Dwuczęściowy zawór kulowy jest łatwy w obsłudze i szybko otwiera się i zamyka. Wystarczy obrócić o 90 ° od pełnego otwarcia do pełnego zamknięcia, co jest wygodne w przypadku zdalnego sterowania.
2. Wygodna konserwacja, prosta konstrukcja zaworu kulowego, pierścień uszczelniający jest ogólnie ruchomy, wygodniej jest zdemontować i wymienić, cena tego rodzaju regulacji kulki ze stali nierdzewnej jest również tańsza.
3. Dwuczęściowy zawór kulowy jest szczelny i niezawodny. Ma dwie powierzchnie uszczelniające, a różne tworzywa sztuczne są szeroko stosowane jako materiały powierzchni uszczelniającej zaworu kulowego, który ma dobre właściwości uszczelniające i może osiągnąć całkowite uszczelnienie. Jest również szeroko stosowany w systemach próżniowych.
4. Dwuczęściowy zawór kulowy ma prostą konstrukcję, mały rozmiar i niewielką wagę.
5. Dwuczęściowy zawór kulowy ma niski opór płynu, a zawór kulowy z pełnym otworem w zasadzie nie ma przepływu.
6. Po całkowitym otwarciu lub całkowitym zamknięciu powierzchnia uszczelniająca kuli i gniazdo zaworu jest odizolowana od medium, a medium nie spowoduje erozji powierzchni uszczelniającej zaworu podczas przepływu medium.
Zakres zastosowania:
Zakres rozmiarów: 1/2 "-24"/DN15-DN600
Temperatura: (-)29 ℃ do 180 ℃
Dopuszczalne ciśnienie robocze: 150LB/300LB/600LB/900LB/1500LB
Zawór kulowy do użytku w przemyśle petrochemicznym, chemicznym, włókienniczym Tekstylia, tworzywa sztuczne, papiernictwo, energetyka, systemy stalowe, gumowe i gazowe.
Dane techniczne:
| Ciśnienie nominalne | 150LB | 300LB | 600LB |
| Test powłoki | 3,0 MPa | 7,5 MPa | 15,0 MPa |
| Test pieczęci | 2,2 MPa | 5,5 MPa | 11,0 MPa |
| Test tylnej pieczęci | 2,2 MPa | 5,5 MPa | 11,0 MPa |
| POWIETRZE | 0,6Mpa | 0,6Mpa | 0,6Mpa |
| Temperatura pracy | -29 ℃ ~ 425 ℃ | ||
| Średni | WOG | ||
Specyfikacja techniczna:
1. Standard projektowania: API608/ASME B16.34
2. Twarzą w twarz: ANSI B16.10/API 6D
3. Końce kołnierza RF: ANSI B16.5
4. Sprawdź i przetestuj: API 598
5. Medium: woda, olej, gaz itp...

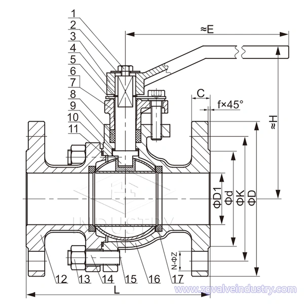
LISTA MATERIAŁÓW
| Częściowe imię | Specyfikacja |
| Ciało | WCB,CF8,CF8M |
| Nakrętka maski | A1942H, A194 8 |
| Śruba maski | A193 B7, A193 B8 |
| Czapka | WCB,CF8,CF8M |
| Uszczelka | Spiralny Wound Grafit |
| Piłka | 304 |
| Pierścień siedziska | PTFE, POM |
| Wiosna | Stal nierdzewna |
| Mała piłka | F304, F316 |
| Trzon | A182 F6, F304, F316 |
| Siedzenie | PTFE |
| Uszczelka | Grafit / PTFE |
| Gruczoł | A182 F6, F304, F316 |
| Śruba | A193 B7, A193 B8 |
| Kołnierz dławika | WCB, CF8 |
| Lokalizowanie | Stal |
| Klucz | WCB |