wyślij zapytanie do nas
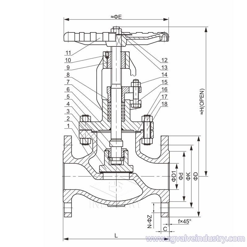
Cechy konstrukcyjne:
Oś trzpienia zaworu grzybkowego jest prostopadła do powierzchni uszczelniającej gniazda zaworu. Skok otwarcia lub zamknięcia trzpienia zaworu jest stosunkowo krótki i ma bardzo niezawodne działanie odcinające, co sprawia, że zawór ten jest bardzo odpowiedni do odcinania lub regulacji i dławienia medium.
Gdy dysk zaworu odcinającego jest w stanie otwartym, nie ma już kontaktu między jego gniazdem zaworu a powierzchnią uszczelniającą dysku zaworu i ma bardzo niezawodne działanie odcinające. Ten rodzaj zaworu jest bardzo odpowiedni do cięcia lub regulacji i redukcji medium. Wykorzystanie strumienia. Ten typ zaworu powinien być zasadniczo montowany poziomo w rurociągu.
Gdy zawór odcinający jest w stanie otwartym, nie ma kontaktu między jego gniazdem a powierzchnią uszczelniającą dysku, dzięki czemu jego powierzchnia uszczelniająca jest mniej zużyta mechanicznie, ponieważ większość gniazd i dysków zaworu jest łatwiejsza do naprawy lub wymiany Podczas uszczelniania elementów nie jest konieczne wyjmowanie całego zaworu z rurociągu, co jest bardzo przydatne w przypadku, gdy zawór i rurociąg są ze sobą zespawane. Zmienił się kierunek przepływu medium przez ten typ zaworu, przez co opory przepływu zaworu odcinającego są większe niż w przypadku innych zaworów.
1. Konstrukcja jest prostsza niż zasuwa, a produkcja i konserwacja są wygodniejsze.
2. Powierzchnia uszczelniająca nie jest łatwa do noszenia i zarysowania, a skuteczność uszczelniania jest dobra. Podczas otwierania i zamykania nie ma względnego poślizgu między trzaskiem zaworu a powierzchnią uszczelniającą korpusu zaworu, więc zużycie i zadrapania nie są poważne, skuteczność uszczelnienia jest dobra, a żywotność jest długa.
3. Podczas otwierania i zamykania skok dysku jest mały, więc wysokość zasuwy jest mniejsza niż zasuwy, ale długość konstrukcji jest dłuższa niż zasuwy.
Zakres zastosowania:
Zakres rozmiarów: DN15 do DN600
Temperatura: (-)29 ℃ do 425 ℃
Dopuszczalne ciśnienie robocze: CL150/CL300/CL600
Zawór kulowy z różnych materiałów może być stosowany do wody, pary, oleju, kwasu azotowego, kwasu octowego, czynnika utleniającego, mocznika i innych mediów.
Dane techniczne:
| Ciśnienie nominalne | 150LB | 300LB | 600LB |
| Test powłoki | 3,0 MPa | 7,5 MPa | 15,0 MPa |
| Test pieczęci | 2,2 MPa | 5,5 MPa | 11,0 MPa |
| Test tylnej pieczęci | 2,2 MPa | 5,5 MPa | 11,0 MPa |
| POWIETRZE | 0,6Mpa | 0,6Mpa | 0,6Mpa |
| Temperatura pracy | -29 ℃ ~ 425 ℃ | ||
| Średni | WOG | ||
Specyfikacja techniczna:
1. Standard projektowania: API6D/API600
2. Twarzą w twarz: ANSI B16.10/API 6D
3. Końcówki kołnierzy RF: ANSI B16.5
4. Końce do zgrzewania doczołowego: ASME B16.25
5.Sprawdź i przetestuj: API 6D i API 598

LISTA MATERIAŁÓW
| Przedmiot nr. | Częściowe imię | Specyfikacja |
| 1 | Ciało | WCB, CF8, CF8M |
| 2 | Siedzenie | A105, F304, F316 |
| 3 | Dysk | WCB+F6, CF8, CF8M |
| 4 | Okładka płyty | A182 F6, 304, 316 |
| 5 | Uszczelka | Elastyczny Grafit + SS 304 |
| 6 | Czapeczka | WCB, CF8, CF8M |
| 7 | Tylne siedzenie | A276-410, F304, F316 |
| 8 | Uszczelka | 304 + Elastyczny grafit |
| 9 | Gruczoł | A276-410, F304, F316 |
| 10 | Dławik do pakowania | WCB, CF8, CF8M |
| 11 | Nakrętka łodygi | A194-2H, A194-8 |
| 12 | Śruba | 304 |
| 13 | Pokrętło | QT400-15 |
| 14 | Uszczelka | 304+Grafit |
| 15 | Nakrętka zabezpieczająca | A194-2H, 8 |
| 16 | Nakrętka gruczołowa | A194-2H, 8 |
| 17 | Śruba oczkowa | A193-B8, B7 |
| 18 | Rozlana szpilka | F304 |