wyślij zapytanie do nas
Cechy konstrukcyjne:
Zawory zwrotne to zawory zatrzymujące przepływ płynu. Dysk można otworzyć pod ciśnieniem płynu. A potem płyn przepływa od strony wlotu do strony wylotu. Gdy ciśnienie na wlocie jest mniejsze niż na wylocie, dysk może zostać automatycznie zamknięty i zatrzymać przepływ wsteczny płynu.
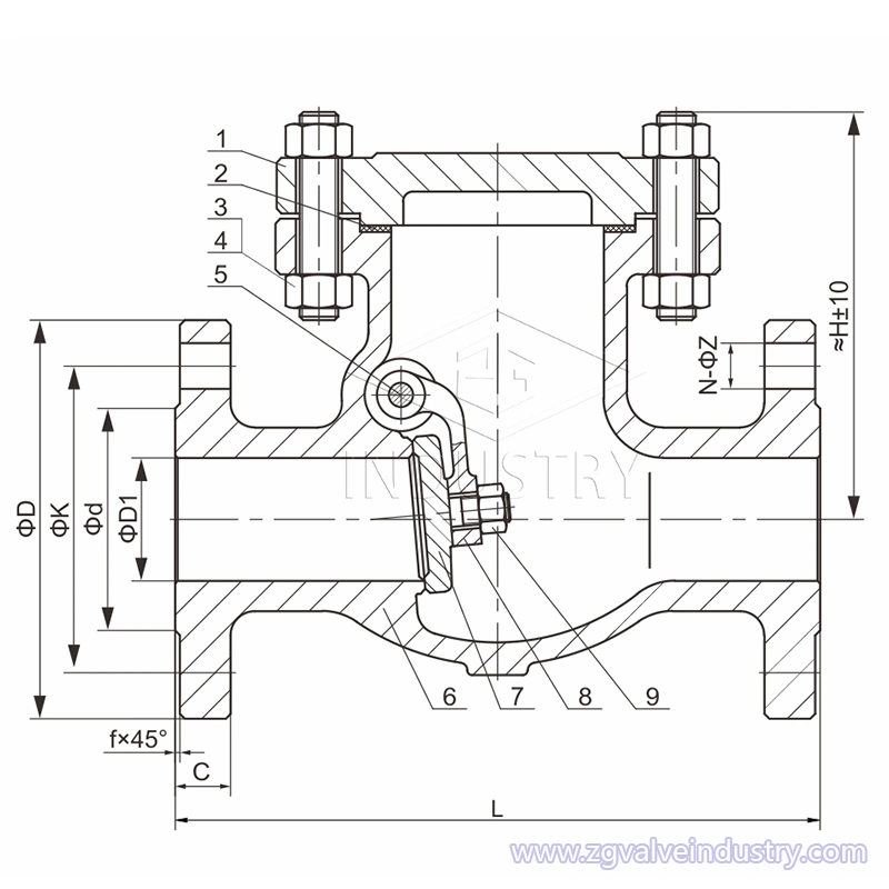
Zawór zwrotny wychylny przyjmuje wbudowaną konstrukcję kołyskową. Wszystkie części otwierające i zamykające zaworu są zamontowane wewnątrz korpusu i nie wnikają w korpus zaworu. Poza uszczelką uszczelniającą i pierścieniem uszczelniającym przy kołnierzu środkowym, całość nie ma miejsca wycieku, co zapobiega możliwości wycieku zaworu. Wahliwe ramię klapy zwrotnej przyjmuje sferyczną strukturę połączenia na połączeniu wahacza z klapą zaworu, dzięki czemu klapa zaworu ma pewien stopień swobody w zakresie 360 stopni i jest odpowiednia pozycja mikro odszkodowanie.
Nadaje się do czystych mediów, nie do mediów zawierających cząstki stałe i o wysokiej lepkości.
Funkcje zaworu zwrotnego ZG:
1. Konstrukcje racjonalne, niezawodne uszczelnienie. Struktura produktu jest rozsądna, uszczelnienie jest niezawodne, a wydajność jest dobra.
2. Uszczelnienie z twardego stopu, długa żywotność. Powierzchnia uszczelniająca jest spawana twardym stopem, który ma dobrą odporność na zużycie i długą żywotność.
Zakres zastosowania:
Zakres rozmiarów: 2 "-24"/DN50-DN600
Temperatura: (-)29 ℃ do 425 ℃
Dopuszczalne ciśnienie robocze: JIS10K/20K
Zawór zwrotny do użytku w przemyśle petrochemicznym, chemicznym, włókienniczym, tekstylnym, plastikowym, papierniczym, energetycznym, stalowym, gumowym i gazowym.
Specyfikacja techniczna:
1. Standard projektowy: JISB2071; ASME B16.34
2. Kołnierz przyłączeniowy: JIS B2220
3. Twarzą w twarz: JIS B2002
4. Test i kontrola: JIS B2003
5. Medium: woda, olej, gaz itp...


LISTA MATERIAŁÓW
| Część | Materiał | ||
| Ciało | WCB | CF8 | CF8M |
| Dysk | WCB+13Cr/WCB+STL | CF8 | CF8M |
| Czapka | WCB | CF8 | CF8M |
| Trzon | F6a | F304 | F316 |
| Śruba oczkowa | B7 | ||