wyślij zapytanie do nas
Cechy konstrukcyjne:
Zawory zwrotne to zawory zatrzymujące przepływ płynu. Dysk można otworzyć pod ciśnieniem płynu. A potem płyn płynie od strony wlotu do strony wylotu. Gdy ciśnienie na wlocie jest mniejsze niż na wylocie, dysk może zostać automatycznie zamknięty i zatrzymać przepływ wsteczny płynu.
Zawór zwrotny wychylny przyjmuje wbudowaną konstrukcję kołyskową. Wszystkie części otwierające i zamykające zaworu są zamontowane wewnątrz korpusu i nie wnikają w korpus zaworu. Poza uszczelką uszczelniającą i pierścieniem uszczelniającym przy kołnierzu środkowym, całość nie ma miejsca wycieku, co zapobiega możliwości wycieku zaworu. Wahliwe ramię klapy zwrotnej przyjmuje sferyczną strukturę połączenia na połączeniu wahacza z klapą zaworu, dzięki czemu klapa zaworu ma pewien stopień swobody w zakresie 360 stopni i jest odpowiednia pozycja mikro odszkodowanie.
Nadaje się do czystych mediów, nie do mediów zawierających cząstki stałe i o wysokiej lepkości.
Funkcje zaworu zwrotnego ZG:
1. Konstrukcje racjonalne, niezawodne uszczelnienie. Struktura produktu jest rozsądna, uszczelnienie jest niezawodne, a wydajność jest dobra.
2. Uszczelnienie z twardego stopu, długa żywotność. Powierzchnia uszczelniająca jest spawana twardym stopem, który ma dobrą odporność na zużycie i długą żywotność.
Zakres zastosowania:
Zakres rozmiarów: 2"-12"/DN50-DN300
Temperatura pracy: ≤120°C
Dopuszczalne ciśnienie robocze: PN10/PN16/125LB/150LB
Zawór zwrotny do użytku w przemyśle petrochemicznym, chemicznym, włókienniczym, tekstylnym, plastikowym, papierniczym, energetycznym, stalowym, gumowym i gazowym.
Specyfikacja techniczna:
1. Wymiar twarzą w twarz DIN3202-F1
2. Wymiar kołnierza końcowego EN1092-2

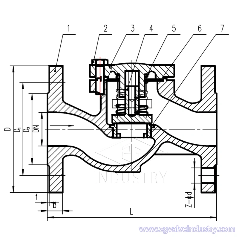
LISTA MATERIAŁÓW
| Częściowe imię | Materiał |
| Ciało | GG25/GGG50 |
| Śruba | Stal węglowa |
| Czapeczka | GGG40 |
| Dysk | 2Cr13 |
| Wiosna | SS304 |
| Uszczelka | Grafit |
| Pierścień uszczelniający korpusu | 2Cr13 |